Главная страница » Электрика в театре » Проектирование транзисторных усилителей низкой частоты

1 ... 11 12 13 14 15 16 17 ... 19

логичной каскаду примера 3.2, но с транзисторами типа П201А, Данные каскада мощного усиления таковы: (/бэ т сл =0,12 в, /вх шел =6 ш, (/вх т сл =0.36б и /?вхсл =60 ом (с учетом обратной связи через Я'ъ ), /?2сл =200 ом, R,.

Окэ т

= 1000 ом, /?дслсл =167 о.и. Дел

=29,5, frp мин =200 кгц, Си макс = 500 п0,

t/flx m /?вх об =0,3 ОМ.

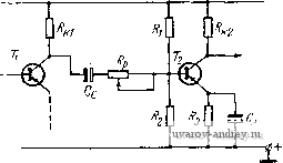
Инверсный каскад должен нормально работать при установке в него любого исправного экземпляра транзистора выбранного типа и иметь следующие данные: / = 100 гц, fa =5000 гц, Мпс< 1,06, Гокр ин =-10°С, Гокр макс =-f40 C. Напряжение питания каскада Ек = 11 е. Схема каскада изображеиа на рис. 5 4


т

Уел

t t-

11 1

Рис. 5 4. Схема ниверсчого каскада с разделенной нагрузкой, к примеру 5.3

Положив падение напряжения на /?к н /?э по 0,3£к , найдем ориентировочное значение /кор п необходимую величину /к т :

к ор - /к/л = /

= 6 10-3 +

0,3 к

0,3 к

0,3 11

1,5/вх сл т

1,5 6

вх /л сл

-, = 367 ом.

I 0,36 \ \ 200 /

г сл \ / вх /л сл \ J / и %т сл \

:л / у /?1сл / \ Нк ор /

А'гсл

0,36 ЮОО

/?1сл

0,36

= 9,14 10-3 = 9,14 ма.

Минимальный ток покоя коллектора инверсного каскада составит

/ко=(1,051,2)/кш=1,1 9,14 10 ма.

Применим в каскаде транзистор П14, имеющий Рмин =20 (амин =0,952),

Рмакс =40, /кО макс =20 Ма, Рмакс =150 ЖбТ, /кнс =10 Мка, Rjj =0,2 С/лв.

Необходимые значения Rk и Ra -составят:

НкКэ = 10 10-3 =330 ом (стандартное).

При этом напряжение коллектор - эмиттер будет равно

эО = £ - /кО Rk - /эО ~ Ек - /ко/?к ~ /кО Rs =

= 11-10 10-3 . 330-10 10-3 . ,330 = 4,4 в,

что вполне допустимо, так как (/кэдоп Для П14 равно 15 в. По статическим характеристикам транзистора П14 для (/кэо=4,4в, и /к0=!0ла находнм (/бэО = = 0,263 в и R вхоэ=125оА1 {рис.4 3). Найдем сопротивление нагрузки цепи эмит-



ера переменному току и входное сопротивление транзистора инверсного каскада:

РэРяеп слвх~сл

RaRлел сл + Ra /?вх~сл + Rдел сл /?вх~сл

3.30 167-60

330 167+330 60+167 . 60

=38 ом.

I? - вхоб+з~ 5,6+38

где Rbxou =5,6 ом найдено по входной статической характеристике П14 для включения с общей базой прн /кО=/эО =10 жа и Пкао ~5 в (рнс. 3.20, точка 5).

Если сопротивление источника сигнала /?ист для рассчитываемого каскада равно 5 ком. то выходное сопротивление нижнего плеча каскада с разделенной нагрузкой будет равно

/?выхТр„ в^вхоб+ /?нст(1- мнн) =5,6 + 5000(1-0,952) 246 ол/, а коэффициенты усиления тока и напряжения составят:

l-aMHH вх~сл ~ 1-0.952 60

Rb-~ 38 П 07

ABxoe+Zs- 5,6+38 Входное напряжение сигнала (/вхт равно:

п вх /л сл 0,36 ол]л п ив.т--- -0,414 0.

Расчет стабилизации проведем с учетом замены транзистора, задавшись значением R2.

/?2=-(3--10)/?вхТрш,в ---7 930 = 6510 ом (станд. 6800 ом). Для максимальной темпера)/ры коллекторного перехода

У'п акс 7;,ф макс + /кО tK3o/?TT =40-]- IO-IO - 4,4 0,2 - 1№ 50°С

по ф-лам (116) н (1.17) найдем: У oaomcjkc =0,329 в, тт =0,219 в,

ки Ч.1к с =-80 мка, /?i = 68.ii ом (станд. 6800 ом). Расчет 7кО макс и {/кэО мни производим по ф-лам (1.20) что дает значения. /кО макс =13,2ла, t/кэО мин = =2,21 в, что донусти.мо.

Емкость конденсатора связи Сс находим по ф-ле (4.6), рассчитав Rbu\ пив и Ra\ сл :

RR 330 - 246

JVbuxhhb - -j-y-i-n--~ -lorv I ПЛС- =141 OM,

Ra+RmiK-Vv u.B ЗЛО f-246

D - РвХ~СЛ РлСЛ гл 60 167 .. n

Abx сл - -75 I 7] - FtT !-, nrr -44,z OM,

/?их-~-сл+Лдели[ 60 1-167

TO ллрт Co =25,6 мкф. Конденсатор С с берем эпектролитпческим с ем-- стыо, не менее рассчитанной. Л1щ. можно рассчитать но ф-ле (4.8). Eп<ocть,



нагружающая плечо пнперсиою каскада жеиий на пькшей рабочей частоте равны

Г ~г 0,16

0,16

200 ООО

У\ р пх об i i

+ 500 !0-2( 1+29,5) ==2,68

R экв п коэффициент частотных пека

асл(1 н/сл)

I ( л

2,68 10

и

вх m < л

Оэ/лсл

Uo3 сл Япых тр ипп

0,36-0,12

10-6 0 = 2,68 жк0 0,89 мкф

0,12 38

М

mx Тр нив 1

246 + 38

= 32,1 ом.

У 1 + (6,28/ Со/?эк,.) <

< У!+ (6,28 5000 0,89 Ю 32,1) 1,34.

Больщон коэффициент частотных искажений на верхних частотах в даимом случае объясняется тем, что инверсный каскад работает иа цепь база - эмиттер транзистора П201А, имеющею Рмин =40, frp = 200 кгц, а следовательно, грапнч ную частоту прн включении с общим эмиттером

f / п Лр 200000

/гр (1 - а ,ш)

= 5000 гц.

В транзисторном инверсном каскаде с разделенной нагрузкой в нижнее плечо, имеющее очень низкое выходное сопротивление, ипо1д.1 включают последовательно добавочное сопротивление /?д для выравинваиия выходных сопротивлении плеч, так как их иеравенетво при работе каскада иа иелипеииую нагрузку может сильно увеличить пслинеииые искажения

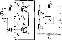
В инверсном каскаде с эмиттериой связью (рис. 5.5) в общий эмиттерный провод двух транзисторов Tl и Гг включено сопротивление эмнттерной связи создаюи1се в каскаде обратную связь. Досто-ннствами инверсного кас^ када с эмиттериой связью являются малый коэффициент гармоник и малая чувствительность к пульсациям питающих напряжений, а также хорошая частотная характеристика

К недостаткам каскада относятся, необходимость применения двух транзисторов и неполная симметрия пыходных токов плеч на средних частотах

У инверсною каскада с эмигтсриои связью коэффициент усиления тока НС отличается от коэффициента уснлсння тока рсос-


Рис

Схема инверсного каскада с эмиттериой связью



татпого каскада с общим эмиттером; входное сопротивление транзистора в таком каскаде равно удвоенному входному сопротивлению транзистора с общим эмиттером в том же режиме, а динамическая входная емкость вдвое меньше динамической входной емкости реостатного каскада с общим эмиттером и теми же данными.

Необходимую величину сопротивления эмиттерной связи Яэ определяют по допустимому коэффициенту асимметрии q (при одинаковых сопротивлениях нагрузки коллекторных цепей ведущего и ведомого плеч);

= ТГШ^

где Rbx оэ - входное сопротивление транзистора ведущего плеча в рабочей точке прн включении его с общим эмиттером.

Сопротивления в коллекторных цепях и другие детали схемы здесь рассчитывают так же, как в реостатном каскаде с общим эмиттером, частотную характеристику рассчитывают по формулам реостатного каскада.

Рассмотренные схемы бестрансформаторпых инверсных каскадов не пригодны для подачи сигнала па оконечные каскады, работающие в режиме В, так как конденсаторы межкаскадной связи Q, имеющиеся в отих схемах, препятствуют прохождению постоянной составляющей входного тока транзисторов оконечного каскада В этом случае целесообразно применять трансформаторные инверсные каскады, рассмотренные в § 4.3.



Общие вопросы проектирования усилителя

6.1. Регулировка усиления

В транзисторных усилителях, так же как и в ламповых, и1ироко используются схемы регулировки усиления и тембра Ввиду того что транзисторные усилительные каскады, в отличие от ламповых, имеют низкое входное сопротивление, используемые схемы регулировки усиления являются в основном регуляторами тока, а не напряжения, как в ламповых усилителях

Одной из распространенных схем регулировки усиления является схема потенциометрической регулировки, изображенной на рнс. 6.1. Такая регулировка не изменяет режима работы транзнсто-


Рис 61 Регулировка усиления потенциометром

ров И прн использовании в качестве сопротивления Ri переменного сопротивления типа В (с показательным законом изменения сопротивления от угла поворота рукоятки) позволяет получить достаточно плавную регулировку уситения с диапазоном 30-н40 дб, что достаточно для большинства практических случаев.

Величину сопротивления R2 (сопротивление регулятора) выбирают, как обычно, по рекомендациям, данным в § 1.7 для расчета



схемы эмиттерной стабилизации. При такой схеме регулировки усиления частотные искажения иа нижних частотах, вносимые конденсатором межкаскадной связи Сс, максимальны в нижнем положении регулятора, поэтому емкость конденсатора Сс рассчитывают по ф-ле (4.6), положив в ней /?пхсл=0. Частотные искажения на верхних частотах, имеющие место от влияния Со~С„, также максимальны при нижнем положении регулятора; поэтому коэффициент частотных искажений на верхних частотах Л1 каскада с транзистором Г] рассчитывают по ф-ле (4.9), считая в ней /?экв =-вхсл (/?вхсл равно сопротивлению параллельного соединения Rbx ,э С1 , /?2сл И /?1с1 ) .

Необходимую емкость конденсатора Сэ каскада с транзистором Т2 здесь рассчитывают обычным образом, как для каскада без регулировки усиления, так как этот конденсатор вносят наибольшие частотные искажения на верхних частотах при верхнем положении рукоятки регулятора.

Другая схема регулировки усиления изображена на рнс 6 2. Такая схема позволяет получить как малую глубину регулировки (5-10 до) при использовании переменного сопротивления типа А с линейным законом изменения, так и большую (30-40 дб) прн использовании переменного сопротивления тппа В. Расчет необходимой величины сопротивления регулятора /?р здесь производят, исходя из необходимого диапазона регулировки усиления

/?р>Др(; х -; У?их с,) , (6.1)

Де Др - необходимый диапазон регул1гров[чн усиления, выраженный н относительных единицах, /? х равно сопротивлению параллельного соединения входного сопротивления транзистора Rmo3c, , 2сл н i?ici , Rnu\ -сопротинленпс параллельного соединения выходного сопротивления транзистора Т, п сопрогнвлеппя R в цепи его котлектора


Рис 6 2 Регулировка усиюиия противлением

HCpCMCHHlilM (.0

В схеме рнс 6 2 наибольшие частотные искажения на нижних частотах имеют место прн закороченном сопротивлении регулятора (ползунок в крайнем левом положении) Поэтому емкости



конденсаторов Сс и С, рассчитывают обычным образом, как в каскадах без регулировки. Частотные искажения на верхних частотах здесь максимальны при крайнем правом положении ползунка, а поэтому их рассчитывают по ф-ле (4.9), полагая в ней /?экв =/?вхсл , как и для схемы рис. 6.1.

На рис. 6.3 приведена схема регулировки усиления отрицательной обратной связью. Здесь в качестве регулятора усиления используется сопротивление эмиттериой стабилизации /?э , которое рассчитывают обычным образом, исходя из допустимого падения напряжения на нем. Глубина регулировки усиления такого регулятора определяется выражением

где /?вх об - входное сопротивление транзистора в рабочей точке для включения с общей базой; R - сопротивление источника сигнала, равное параллельному соединению выходного сопротивления предыдущего каскада и сопротивлений делителя Ri и /?2. Глу-

gf £- бина регулировки усиления у та-кого регулятора обычно невелика (не более 20--30 дб), так как определяется рассчитанной из условий стабилизации рабочей точки величиной сопротивления Ra- Наибольшие частотные искажения как в области нижних, так и в области верхних частот здесь имеют место при верхнем положении ползунка регулятора усиления, а поэтому конденсаторы Сэ н Сс рассчитывают обычным образом, как для каскада без регулировки усиления. Коэффициент частотных искажений в области верхних частот рассчитывают так же, как в обычном каскаде без регулировки усиления. В качестве регулятора при регулировке обратной связью обычно применяют непроволочные сопротивления типа А с линейным законом изменения сопротивления.


Рис. 6 3. Регулировка усиления отрицательной обратной

связью по Т0К1

6.2. Регулировка тембра

Для плавного изменения частотной характеристики в области нижних или верхних частот используют схемы регуляторов тембра. Одна нз схем регулировки тембра, позволяющая плавно поднимать частотную характеристику на нижних ч icrorax, без изменения усиления в области средних частот и его часготные характеристики для различных положений регулятора изображены на



рис. 6.4. Расчет элементов схемы такого регулятора производят по выражениям:

Ra =

Ru =(7ч-10)7?э 0,054-0,1

/н вх об

0,025

(6.3)

где

Yii макс

сопротивление нагрузки коллекторной цепи транзистора переменному току,

относительное усиление на низшей рабочей частоте (подъем усиления), низшая рабочая частота.



Рис. 6.4. Регулятор тембра, поднимающий усиление на нижних частотах (а), и его частотные характеристики при различных положениях

регулятора (б)

Сопротивление в цепи коллектора Rk , конденсатор связи Сс, делитель смещения и стабилизация рассчитываются по обычным фор.мулам реостатного каскада. А коэффициент усиления на средних частотах рассчитывают как для реостатного каскада с неблокированным сопротивлением Ra в цепи эмиттера (§ 5.3). Сопротивление источника сигнала для каскада с таким регулятором тембра должно быть, по крайней мере, в несколько раз меньше входного сопротивления транзистора в рабочей точке при включении с общим эмиттером.

Простейшая схе.ма регулятора те.мбра, позволяющая плавно снижать усиление на верхних частотах, и его частотные характеристики для различных положений регулятора даны на рис. 6.5.




Рис. 6.5. Регулятор тембра, снижающий усиление на верхних частотах (а) и его частотные характеристики при различных положениях регулятора (б)

Расчет элементов такого регулятора тембра производят по формулам:

0,08

(6.4)

где lB макс-наибольшее значение относительного усиления на верхних частотах (при полностью введенном сопротивлении Rr, )\

частота, на которой регулятор начинает снижать усиление (снижает усиление на 1 дб). Расчет остальных элементов схемы и данных каскада производят обычным образом.

6.3. Требования к источнику питания

Питание всех цепей многокаскадного транзисторного усилителя обычно производят от одного источника постоянного тока (выпрямителя, сети постоянного тока, батареи). Основным требованием, предъявляемым к источнику питания усилителя, являются необходимые для питания всех транзисторов ток и напряжение. Так как отдельные каскады усилителя обычно подключают параллельно к источнику питания, то потребляемый усилителем ток Д на который рассчитывают источник питания, находят из выражения

/ = /кср1-1-/ксп2-1- ... + /

(6.5)

где /кСП, /кср2~средние значения коллекторного тока первого, второго и т. д. каскадов за период сигнала; /тел -ток делителей напряжения и сопротивлений, нагружающих источник питания.



При работе в режиме А средние значения токов можно считать равными току покоя.

Необходимое напряжение выпрямителя, питающего коллекторные цепи многокаскадного усилителя, определяется его оконечным каскадом, обычно требующим нанбольщего напряжения, питания. Д1Я транзисторного усилителя с однотактным трансформаторным выходным каскадом в режиме А по схеме рнс. 3.2, необходимое напряжение питания определится выражением

Ек = Uso-rhori (6.6)

где t/кэо - постоянная составляющая напряжения между коллектором и эмиттером оконечного каскада, /ко -максимальное значение тока покоя коллектора,

-падение напряжения на стабилизирующем сопротив-ленни в цепн эмиттера; для дву.чтактного каскада, работающего в режиме А, Г; заменяют гщ . При включении транзисторов оконечного каскада с общей базой (рис. 3.18) в ф-лу (6.6) вместо Vкэо подставляют расчетное напряжение коллектор - база оконечного каскада Ukm , а. Оэ заменяют суммой Уз +Uo3Q .

Для двухтактного оконечного каскада, работающего в режиме В, прн отсутствии стабилизирующего сопротивления в цепи эмиттера необходимое напряженпе питания определяют также по ф-лс (6.6), полагая в ней U3 =0, заменив Гх сопротнвленпем Гщ и подставив в качестве /ко максимальное значение тока покоя коллектора одного плеча схемы при огсутсгвии сигнала. Так как произведение /komi в этом случае обычно получается .много меньше Скэо , практически можно считать Ек ~ Uкл (для включения с общим эмиттером) и ~ U кбо + Uво (лля включения с общей базой).

Внутреннее сопротивление источника питания усилителя с двухтактным выходным каскадом, работающим в режиме В, как постоянному, так и переменному току должно быть мало. При отсутствии сигнала на входе каскада напряжение источника питания должно повышаться не более чем на lO-f-15%, что и определяет его максн.мальное допустимое сопротивление постоянному току. Сопротивление источника питання переменному току для низшей рабочей частоты усилителя в этом случае не должно превышать (0,24-0,25) Rk.

Внутреннее сопротивление переменному току источника питания усилителя с однотактным выходным каскадом, работающим в режиме А, на низшей рабочей частоте не должно превышать (0,2-0,3) Rk\ сопротивление нсгочнпка пнтанпя постоянному

току в этом случае особой роли не играет.

Внутреннее сопротивление источника пптанпя усилителя с двухтактным выходным каскадом, работающим в режиме А, не ограничивается как для постоянного, так и для переменного тока.



1 ... 11 12 13 14 15 16 17 ... 19

© 2000-2026. Поддержка сайта: +7 495 7950139 добавочный 133270.
Заимствование текстов разрешено при условии цитирования.