Главная страница » Электрика в театре » Мультиплексоры демультиплексоры в последовательностных схемах

1 ... 17 18 19 20 21 22 23 ... 39

СОВ (ТИ) переменные принимают следующие значения:

Номер ти

<3г

Выход

По мере дальнейшего поступления тактовых сигналов выходная последовательность будет повторяться.

Генерирование последовательностей может быть осуществи лено и непосредственно, если использовать счетчик и декодирующие схемы. Для формирования последовательности 001101

АБС


001 Л 010 JL 011 Л 100


о о 11 и

Рис. 9.11. Граф переходов.

прежде всего строится соответствующий граф переходов (рис. 9.11). С помощью метода, рассмотренного в гл. 7, можно обеспечить формирование необходимой выходной последовательно^ сти.

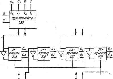
9.5. МНОГОФУНКЦИОНАЛЬНЫЕ РЕГИСТРЫ

Типовой регистр, схема которого представлена на рис. 9.5, может быть с успехом использован для различной обработки данных. Однако существуют регистры, гораздо более гибкие с точки зрения выполняемых функций. Можно, например, построить регистр, допускающий сброс, установку и формирование дополнения его содержимого. Удобное функциональное обозначение типового многофункционального регистра показано на рис. 9.12. Логическая схема подобного регистра на JK-



Управляющие дтрды у

Шогод)ункциопапьныа < регистр

шение

Входы

Рис. 9.12. Типовой многофункциональный регистр.

Iq h h h

Мультиплексор 2


Мультиплексор 7

Мултиплексор 3

h h 1

1 Id

h h h h

f 0 Q, Of

3 (\

Разрешение

Рис. 9.13. Реализация типового многофункционального регистра.



триггерах и мультиплексорах, представленная на рис. 9.13; имеет четыре режима управления, задаваемых сигналами X и У. Операция загрузки выполняется путем подачи данных а на входы /о всех мультиплексоров. Дополнение формируется при подаче на входы h инверсных значений переменных. Для выполнения сброса ко входам h всех мультиплексоров должны

Таблциа 9.S

Описание работы многофункционального регистра

Управляющие входы


Функция

Загрузка в регистр данных по входным, линиям

Формирование дополнения содержимого регистра

Сброс регистра

Установка регистра

быть приложены сигналы с нулевыми значениями. Чтобы установить триггеры регистра в единичное состояние, следует подать единичные сигналы на входы /з всех мультиплексоров. Описание работы многофункционального регистра приведено в. табл. 9.5.

9.6. РЕГИСТРЫ ДЛЯ ДВОИЧНОГО СЧЕТА

Функциональное обозначение регистра двоичного счета показано на рис. 9.14. Это устройство может принимать внешние данные, осуществлять счет в прямом й. обратном направлениях, а

Управляющие Входы у

двоичный, счетный регистр 82

<

щ а,

Рис. 9.14. Типовой двоичный счетный, регистр.



также может быть сброшено в нулевое состояние. Его реализация на С-триггерах и мультиплексорах показана на рис. 9.15. Для выполнения операции сброса необходимо подать нулевые сигналы на входы /о всех мультиплексоров. Значения сигналов, подаваемых на входы h мультиплексоров для счета в прямом направлении, определяются методами, которые рассмотрены в гл. 6. При этом для согласования всех входов J и К требуется не тот набор простых вентилей, который показан на рис. 9.15, а специальная управляющая схема, обеспечивающая

i LJL L

ffJ!

lo h h h Мультиплексор 93

h h h h Мультиплексор


a,. Qo йо P

. /1

Разрешение

Рис. 9. IB. .Реализация типовего двоичного сч€тн<эго регистра.



K=J в ситуациях, когда сигналы на управляющих входах связаны соотнощением X®Y.

При счете в прямом направлении должны выполняться следующие зависимости:

Аналогичным образом определяются значения сигналов, подаваемых на входы /г мультиплексора для обеспечения счета в обратном направлении:

Для осуществления загрузки на входы h мультиплексоров необходимо подать входные сигналы а соответствующих значений. Функциональное описание двоичного счетного регистра дано в табл. 9.6.

Таблица 9.6

Описание функционирования двоичного счетного регистра

Управляющие входы

функция

Сброс

Счет в прямом направлении

Счет в обратном направлении

Загрузка

9.7. РЕГИСТР ДЛЯ ФОРМИРОВАНИЯ ОБРАТНОГО И ДОПОЛНИТЕЛЬНОГО КОДОВ

Еще один из регистров предназначен для получения обратного и дополнительного кодов. Функциональное обозначение такого регистра приведено на рис. 9.16, а описание его функционирования содержится в табл. 9.7. На рис. 9.17 показана реализация подобного регистра на С-триггерах и мультиплексорах. Операция сброса осуществляется путем подачи нулевых сигналов на все входы /о. Формирование обратного кода до-



Рис. 9.16. Функциональное обозначение регистра для формирования обратного и дополнительного кодов.

ВыВпд

Регистр для (рормироВания < обратного и дополнительного нодод

3ff6

шение

Оз Of Off

стигается за счет подачи инвертированных значений всех переменных на входы 1\ мультиплексоров. Загрузка данных в регистр производится через входы /з мультиплексора. Дополнительный код заносится через входы /г мультиплексоров, на которые информация поступает в виде прямого или дополнительного кода с выходов специальных мультиплексоров 953, 954, 963 и 964. Выбор того или иного из этих кодов выполняется дополняющей декодирующей схемой, построенной на мультиплексорах 966-969.

Если сигнал Ввод инверсии (ИНВ) имеет значение 1, то выходные сигналы ИНВ всех четырех мультиплексоров 966- 969 равны 1. На входы h мультиплексоров 955, 956, 961 и 962 при этом подаются инвертированные значения выходных сигналов мультиплексоров 953, 954, 963 и 964. Если же сигнал Ввод

Таблица 9.7

Описание функционирования регистра для формирования обратного и дополнительного кодов

Управляющие входы

функция

Сброс

Формирование обратного кода

Формирование дополнительного кода

Загрузка

инверсии равен О, то дополняющая декодирующая схема выявляет в данных первую единицу, считая со стороны младшего разряда. В этом разряде выходного сигнала дополняющей декодирующей схемы и во всех последующих старших разрядах



ВВод I I

шВерсии

Нулыли-Л плексор S53 \

I I

о а.

Мультиплексор

1о If h I3 Мултиплексор

Iq и h h Мультиплексор 956

триггер 557

Л

JH-триегвп

558 : Д

JH- 1Л! триггер 353

JH-триегвр 960 A

Мультиплексор 96 i

I, /, I. !

Мультиплексор 963

Мультиплексор

h h h to

a, a,

Cini

Мультиплексор

J Разрешение 0,1

инВерсии

Мультиплексор

IKCOP

96Г

Мулыпи-плексор

Пульти-г- плексор 969

Вывод инверсии

Рис. 9.17. Реализация регистра, предназначенного для формирования обратного и дополнительного кодов.

формируются единичные значения. Так как сигнал ИНВ О управляет разрядом Qi дополняющей декодирующей схемы, сигнал ИНВ 1 управляет разрядом Q2 и т. д., инвертирование информации происходит во всех разрядах, более старших, чем тот, в котором сигнал Q=l.



9.8. СОВМЕЩЕНИЕ ФУНКЦИИ РЕГИСТРОВ

В предыдущих разделах было показано, как могут быть осуществлены сброс, установка и загрузка регистра, формирование с его помощью обратного и дополнительного кодов. Представляется совершенно очевидным, что на регистры можно возлагать выполнение и других функций: ИЛИ, И, ИСКЛЮЧАЮЩЕЕ ИЛИ. Перечень функций, реализацию которых целесо-

Таблица 9.8

Операции арифметическо-логического устройства

Управляющие входы

Операция

Нет операции

Сброс

Сдвиг

Формирование дополнения

Загрузка

ИЛИ

И

Сложение

образно ВЫПОЛНЯТЬ в таком усложненном регистре, приведен в табл. 9.8. Фактически операции, перечисленные в табл. 9.8, - это операции арифметическо-логического устройства (АЛУ), являющегося одним из основных блоков ЭВМ. Подобный набор действий входит в систему команд любой ЭВМ. Ясно, что он легко поддается расширению.

9.9. УПРАЖНЕНИЯ

У.9,1. В разд. 9.3 рассмотрен метод формирования кода Хемминга. Генерирование его представляет известные трудности. Код такого типа обеспечивает обнаружение и исправление одной ошибки. Относительно проще генерируется следующий код:

e = X@Y@Z@n, Формировать такой код проще, потому что он является циклическим.

l=WQ)Y®Z, m = X@Z@l. п = Y®l®m.



В табл. 9.9 приведены значения функции ошибки для этого циклического кода. Спроектируйте управляемый регистр сдвига для генерирования подобного кода.

Таблица 9.9

Значения функции ошибки циклического кода

Е

Бит с ошибкой

п

т

У.9.2. Разработайте управляемый регистр сдвига для генерирования последовательности 100010011010111.

У.9.3. Разработайте управляемый регистр сдвига для генерирования последовательности 1001011.



ГЛАВА 10

ЦИФРОВЫЕ СИСТЕМЫ

Основным назначением цифровой вычислительной машины, будь то микро-ЭВМ, мини-ЭВМ или большая ЭВМ, является обработка информации. На заре вычислительной техники эта обработка обычно сводилась к бухгалтерским расчетам. Затем развитие средств обработки информации позволило выполнять решение математических уравнений. Естественным следствием развития цифровых вычислительных машин явилось их применение для выполнения разнообразных процедур ввода-вывода информации, когда возникает необходимость в реализации некоторых промежуточных процессов.

Задачей данной главы является знакомство с устройствами типичной цифровой машины. Материал данной главы в наибольшей степени применим к микро-ЭВМ, хотя благодаря обобщенному характеру изложения может быть распространен и на мини-ЭВМ. В качестве определяющего различия этих двух типов машин укажем, что основная программа мини-ЭВМ хранится в обычной оперативной памяти ОЗУ, а программа микро-ЭВМ- в постоянном запоминающем устройстве (ПЗУ) [19- 28].

В общем случае конструктивно-технологическую основу мини-ЭВМ составляют многочисленные быстродействующие компоненты, а микро-ЭВМ изготавливается на базе технологии, позволяющей разместить на одном кристалле, потребляющем небольшую мощность, множество функциональных элементов. По этим причинам микро-ЭВМ обычно имеет относительно меньшую стоимость при меньшем быстродействии и (или) меньшей длине машинного слова по сравнению с мини-ЭВМ. При быстром развитии микроэлектронной технологии и остром соперничестве между микро- и мини-ЭВМ наблюдается взаимное проникновение их свойств. Так, в состав некоторых мини-ЭВМ входят устройства, характерные для микро-ЭВМ, а отдельные микро-ЭВМ приближаются по быстродействию к мини-маши-иам. По-видимому, в будущем различия между этими двумя классами ЭВМ будут стираться.

Основное устройство обработки информации в микро-ЭВМ представляет собой однокристальную большую интегральную



1 ... 17 18 19 20 21 22 23 ... 39

© 2000-2026. Поддержка сайта: +7 495 7950139 добавочный 133270.
Заимствование текстов разрешено при условии цитирования.